...

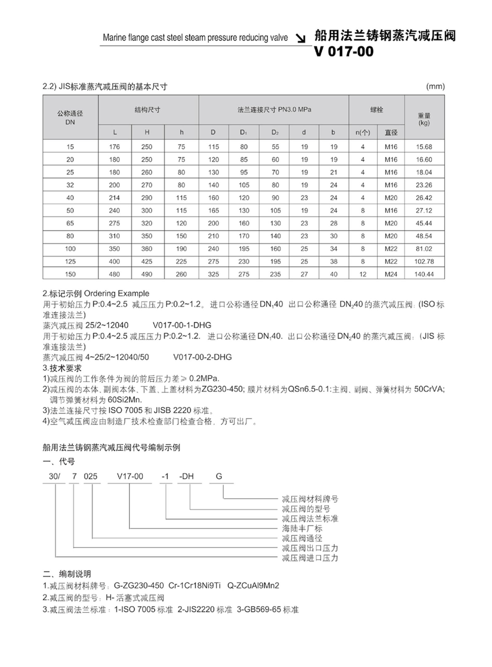
Marine flange cast steel steam pressure reducing valve

Description

FAQ

Yes, 20+ years of ODM expertise.

Strict ISO certification, 100% inspection.

Standard parts 2 weeks, custom by agreement.

24/7 global support available.

Share your needs with us — Hwahom Marine delivers high-quality solutions with proven ODM expertise.

Let's have a chat

Seraphinite AcceleratorOptimized by Seraphinite Accelerator
Turns on site high speed to be attractive for people and search engines.